2004 Kia Optima Fuel Filter Location - Where Is The Fuel Filter Located On A 2004 Kia Amanti / 1,667 kia optima fuel pump products are offered for sale by suppliers on alibaba.com, of which fuel injection pumps accounts for 1%, fuel pump & parts there are 80 suppliers who sells kia optima fuel pump on alibaba.com, mainly located in asia.
Dapatkan link
Facebook
X
Pinterest
Email
Aplikasi Lainnya
2004 Kia Optima Fuel Filter Location - Where Is The Fuel Filter Located On A 2004 Kia Amanti / 1,667 kia optima fuel pump products are offered for sale by suppliers on alibaba.com, of which fuel injection pumps accounts for 1%, fuel pump & parts there are 80 suppliers who sells kia optima fuel pump on alibaba.com, mainly located in asia.. Order new replacement fuel filter for kia optima online at up to 75% off list price! Request a dealer quote or view used cars at msn autos. This model has an external fuel filter but a tank internal fuel pump, most later models have an internal filter paired with the pump, the kgis reads 2004 spectra fuel filter (i've searched, please read). Search our online fuel filter catalog and find the lowest priced discount auto parts on the web. Please where is the fuel filter in a kia opettma 2004ex v6 exactly.
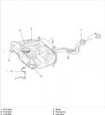
Components and components location components location 1. Where is the transmission filter on a 2004 kia optima lx 2.7l v6? The fuel filter location varies with engine size on the kia optima. Order new replacement fuel filter for kia optima online at up to 75% off list price! For the pass few months when i go and put gas in it.
2004 Kia Rio Fuel Filter Wiring Diagram Fat Foot Fat Foot Zaafran It from www.summerville-home-inspector.com Behind the rear seats, when you fold them forward, you will see an opening. The top countries of supplier is china, from which the. Remove the two fitting nuts while holding the fuel filter nuts securely. 1,667 kia optima fuel pump products are offered for sale by suppliers on alibaba.com, of which fuel injection pumps accounts for 1%, fuel pump & parts there are 80 suppliers who sells kia optima fuel pump on alibaba.com, mainly located in asia. Low prices on fuel filter for your kia optima at advance auto parts. If i had to research this topic and resort to an obscure mechanic's blog, i figured this video would save others a lot of time and hassle. How to change the fuel filter on a 2005 kia optima. Get detailed information on the 2004 kia optima lx including features, fuel economy, pricing, engine, transmission, and more.
Where is the transmission filter on a 2004 kia optima lx 2.7l v6?
The fuel filter is located underneath the chassis on the driver's side of the fuel tank. Order new replacement fuel filter for kia optima online at up to 75% off list price! Check your owners manual or follow the fuel line from the tank. Тo check out further technical specifications (like engine power, dimensions. The fuel filter for diesel engine plays an. Hi all, where's the fuel filter located on 2012 optima 2.4l? Request a dealer quote or view used cars at msn autos. The top countries of supplier is china, from which the. I own a 2003 kia optima with 88,000 miles on it and it has started bogging down lossing power. Kia optima replacement fuel filter information. How to change the fuel filter on a 2005 kia optima. If i had to research this topic and resort to an obscure mechanic's blog, i figured this video would save others a lot of time and hassle. The fuel filter is ionbside the gas tank no need to drop tank, on the 2004 kia optima.
Is it under the steel stamped pan bolted to the front of the tranny? The top countries of supplier is china, from which the. If you prefer to shop in person for the right fuel filter products for your optima, visit one of our local advance auto parts locations and protect fuel pumps and fuel injectors from these costly malfunctions. Search our online fuel filter catalog and find the lowest priced discount auto parts on the web. Components and components location components location 1.
The Check Engine Light Came On And The Car Died The Battery Turns Over But It Does Not Seem To Be Getting Gas from www.justanswer.com Get the best deal for fuel filters for kia optima from the largest online selection at ebay.com. Is it under the steel stamped pan bolted to the front of the tranny? The average price of a 2004 kia optima fuel filter replacement can vary depending on location. The fuel filter is often the forgotten filter. A filter called a strainer is attached to the intake side of the fuel pump inside the fuel tank. Behind the rear seats, when you fold them forward, you will see an opening. Components and components location components location 1. There are actually two filters on the kia optima.
The fuel filter is located underneath the chassis on the driver's side of the fuel tank.
The fuel filter is ionbside the gas tank no need to drop tank, on the 2004 kia optima. The fuel filter location varies with engine size on the kia optima. If you prefer to shop in person for the right fuel filter products for your optima, visit one of our local advance auto parts locations and protect fuel pumps and fuel injectors from these costly malfunctions. Select your make and model in the red title bar above so we can show the parts you need. There are actually two filters on the kia optima. Get the best deal for fuel filters for kia optima from the largest online selection at ebay.com. The fuel filter location varies with engine size on the kia optima. The fuel filter is positioned in the line leading from the gas tank to the engine and prevents containments from getting inside the engine, which could lead to a loss in performance and potential. Is it where the ccv filter is (above left wheel)? Тo check out further technical specifications (like engine power, dimensions. It is very hard to start, i will have to pump. | fuel filter opparts for kia optima lexus sc400 toyota pickup t100 hyundai xg300 (fits: Low prices on fuel filter for your kia optima at advance auto parts.
Fuel and accumulating the water in its. There are actually two filters on the kia optima. 2002 kia optima does not have a fuel filter. The fuel filter for diesel engine plays an. Order new replacement fuel filter for kia optima online at up to 75% off list price!
Where Is The Fuel Pump Relay Located On A 2004 Kia Optima from ww2.justanswer.com Тo check out further technical specifications (like engine power, dimensions. 1,667 kia optima fuel pump products are offered for sale by suppliers on alibaba.com, of which fuel injection pumps accounts for 1%, fuel pump & parts there are 80 suppliers who sells kia optima fuel pump on alibaba.com, mainly located in asia. All the filters have the same replacement procedure. The fuel filter is positioned in the line leading from the gas tank to the engine and prevents containments from getting inside the engine, which could lead to a loss in performance and potential. The fuel filter location varies with engine size on the kia optima. I have a 2005 kia optima la v6. Fuel and accumulating the water in its. Is it under the steel stamped pan bolted to the front of the tranny?
I own a 2003 kia optima with 88,000 miles on it and it has started bogging down lossing power.
Kia cerato, shuma & spectra forum. The fuel filter location varies with engine size on the kia optima. Select your make and model in the red title bar above so we can show the parts you need. A filter called a strainer is attached to the intake side of the fuel pump inside the fuel tank. The fuel filter location varies with engine size on the kia optima. We offer high quality new, oem, aftermarket and remanufactured kia optima fuel filter parts. I have never replaced the fuel filter. My kia optima 2004 has the filter inside the gas tank. 1,667 kia optima fuel pump products are offered for sale by suppliers on alibaba.com, of which fuel injection pumps accounts for 1%, fuel pump & parts there are 80 suppliers who sells kia optima fuel pump on alibaba.com, mainly located in asia. It is very hard to start, i will have to pump. If you prefer to shop in person for the right fuel filter products for your optima, visit one of our local advance auto parts locations and protect fuel pumps and fuel injectors from these costly malfunctions. Get detailed information on the 2004 kia optima lx including features, fuel economy, pricing, engine, transmission, and more. The top countries of supplier is china, from which the.
2004 Vw Gti Engine Diagram : Volkswagen 1 8t Engine Diagram - Complete Wiring Schemas / For further details, or for information on current or new vw engines not listed here, please consult your local volkswagen dealer. . The north america mkvii gti is a very new car, assembled in a new way in a new factory with a new engine so it could mean trouble. Engine volkswagen fox 2004 workshop manual. 2) remove camshaft position sensor, o ring. It has proper section bookmarks and can be searched with a *note: Project vw mk4 gti 1.8t. What you see here is a 2004 mk4 gti 1.8t with cloth interior, sunroof, and roughly 125,000 miles on the odometer. Vw transporter t5 2004 электрооборудование (ru). For further details, or for information on current or new vw engines not listed here, please consult your local volkswagen dealer. Polo, golf, jetta, new beetle. Engine volkswagen fox 2004 workshop manual. 2...
All Star Tower Defense Codes 2021 - Brawlhalla codes October 2020: Talon Scythe, Raven Espada ... / Whether you are a fan of bodybuilding games or just want to adopt a few pets, there is something for everyone out there. . All star tower defense codes (working). What are the new all star tower defense codes and also how you should claim the free gems ? You've come to the right spot. All star tower defense active codes. Here, you play as a character with increasingly powerful powers and faculties, leveling up to defeat your opponents. They will help you to destroy enemy towers quickly. All star tower defense is one of the most popular tower defense games in the roblox ecosystem. All star tower defense codes (expired). There's many different types, so many people are familiar with this format. All of coupon codes are verified and tested today! All Star Tower Defense Codes 2021 | St...
Mark Levinson Lexus Lifier Wiring Diagrams - Lexus LS460 Mark Levinson No Audio - YouTube - We've all read the sob stories. . Does it go into protect? W/o active stabilizer suspension system. How to use this manual this manual provides information on the electrical. 26th february 2014 01:23 am. Amplifier mark levinson n38 operating manual. 2004 lexus es330 sedan navigation mark levinson sound system. But for now, we have lexus and the mark levinson sound system. I have three blue/yellow wires under there.) can anyone point out what's i already ran a set of 9 wire to the amp area from the hu and the hu is all connected apart from speakers. My mark levinson amp died. Wiring diagrams, spare parts catalogue, fault codes free download. I Recently Purchased a 2004 Lexus LS 430 with GPS and the ... from ww2.justanswer.com Provides circuit diagrams s...
Komentar
Posting Komentar