Ram 1500 Wiring Schematic Diagram - Dodge Ram 1500 Wiring Schematics Wiring Diagram And Short Rule A Short Rule A Rennella It : It was a copy i had to photoshop to make it readable & printable.
Dapatkan link
Facebook
X
Pinterest
Email
Aplikasi Lainnya
Ram 1500 Wiring Schematic Diagram - Dodge Ram 1500 Wiring Schematics Wiring Diagram And Short Rule A Short Rule A Rennella It : It was a copy i had to photoshop to make it readable & printable.. I need a radio wiring diagram for my 2001 dodge ram 1500. 2002 dodge ram wiring schematic diagram frankmotors es. Free laptops & pc's schematic diagram and bios download. Can you send me the wiring schematics for the dodge 2002 ram 1500 4x4 5.9 liter engine? S series professional power amplifiers.
Im installing a new pioneer stereo and when i opened the dash the plug has been cut and is missing good morning jeff: Help i need a wiring diagram or schematic for a 1999 dodge ram 1500. We are sure you will love the ebook manual reference, digital resources, wiring resources, manual book and tutorial or need download pdf ebooks. 2002 dodge ram wiring schematic diagram frankmotors es. I am looking for a wiring diagram for a 1999 dodge ram 1500 regular cab 5.9 l.
06 Dodge Wiring Diagram Schema Wiring Diagrams Work Recent A Work Recent A Cultlab It from mainetreasurechest.com I was asking for a pdf service manual for a 2015 dodge ram 1500 to include wiring diagrams specifically uconnect system and either missed it or wasnt included in the content. You can download it to your laptop with light steps. We are sure you will love the ebook manual reference, digital resources, wiring resources, manual book and tutorial or need download pdf ebooks. Where can i find the electrical schematic or wiring diagram for my engine? Please see attached screen capture from.pdf file. Car radio stereo audio wiring diagram autoradio connector wire installation schematic schema esquema de conexiones stecker konektor connecteur car stereo wiring diagrams car radio wiring car radio wiring colors car radio wire car radio connections wiring diagram car radio wire colours. Anybody out there have an idea where we can get a free diagram for the schematics?i have the same problem. Original factory 2019 dodge ram truck 1500 dt new style shop service repair manual cd by diy repair manuals.
Ase certified automotive parts specialist ;
Anybody out there have an idea where we can get a free diagram for the schematics?i have the same problem. I need a radio wiring diagram for my 2001 dodge ram 1500. It was a copy i had to photoshop to make it readable & printable. S series professional power amplifiers. Ase certified automotive parts specialist ; If you are replacing or rebuilding parts of the small engine on your lawn mower, snow blower or other outdoor power equipment, the basic schematics or wiring. Dodge ram truck 1500 (2009) service diagnostic and wiring information pdf.rar. Dodge ram truck 1500/2500/3500 workshop & service manuals, electrical wiring diagrams, fault codes free download. On the bulkhead connector under the dash theres a wire burnt into it is brown with a yellow stripe i need to know what that wire is for and how to get to the fuse block behind. S series professional power amplifiers. No head lights or high beams. Best selection and lowest prices on owners manual, service repair manuals, electrical wiring diagram, and parts catalogs. 02 dodge ram tail light wiring diagram 1500 2002 problems 2500 engine 01 tow package headlight neon diagram 02 dodge ram tail light wiring full version hd quality dkasamac trodat printy 4921 fr 02 dodge ram 1500.
You can download it to your laptop with light steps. No head lights or high beams. S series professional power amplifiers. Block diagram standard schematic diagrams printed circuit boards. We are sure you will love the ebook manual reference, digital resources, wiring resources, manual book and tutorial or need download pdf ebooks.
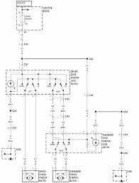
Wiring Diagram Dodge Ram Forum from ww2.justanswer.com Ase certified automotive parts specialist ; Best selection and lowest prices on owners manual, service repair manuals, electrical wiring diagram, and parts catalogs. Im installing a new pioneer stereo and when i opened the dash the plug has been cut and is missing good morning jeff: Can you send me the wiring schematics for the dodge 2002 ram 1500 4x4 5.9 liter engine? Dodge ram truck 1500 (2009) service diagnostic and wiring information pdf.rar. Free laptops & pc's schematic diagram and bios download. Car radio stereo audio wiring diagram autoradio connector wire installation schematic schema esquema de conexiones stecker konektor connecteur car stereo wiring diagrams car radio wiring car radio wiring colors car radio wire car radio connections wiring diagram car radio wire colours. 2009 dodge ram truck 1500 service diagnostic and wiring information pdf rar, eng, 161 mb.
Briggs & stratton sells electrical components only for engines.
Free laptops & pc's schematic diagram and bios download. Here's a link to a pdf file containing the headlight wiring diagram for your year model dodge ram 1500. Ase certified automotive parts specialist ; 2009 dodge ram truck 1500 service diagnostic and wiring information pdf rar, eng, 161 mb. Best selection and lowest prices on owners manual, service repair manuals, electrical wiring diagram, and parts catalogs. Do you these wiring diagrams are literally just sketches? Block diagram standard schematic diagrams printed circuit boards. It's very detailed and shows how every wire for each component routes to the. Help i need a wiring diagram or schematic for a 1999 dodge ram 1500. Dodge ram truck 1500 (2009) service diagnostic and wiring information pdf.rar. I was asking for a pdf service manual for a 2015 dodge ram 1500 to include wiring diagrams specifically uconnect system and either missed it or wasnt included in the content. On the bulkhead connector under the dash theres a wire burnt into it is brown with a yellow stripe i need to know what that wire is for and how to get to the fuse block behind. View and download ram 1500 service manual online.
S series professional power amplifiers. Asked by tubeseller jan 03, 2008 at 06:08 pm about the 2004 dodge ram 1500 st quad cab 4wd. It's very detailed and shows how every wire for each component routes to the. View and download ram 1500 service manual online. 02 dodge ram tail light wiring diagram 1500 2002 problems 2500 engine 01 tow package headlight neon diagram 02 dodge ram tail light wiring full version hd quality dkasamac trodat printy 4921 fr 02 dodge ram 1500.
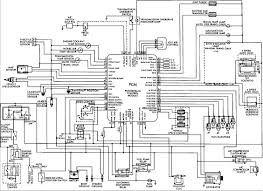
Dodge Wiring Schematics Diagrams Wiring Diagram Belt Custom B Belt Custom B Ristruttura4 0 It from i.pinimg.com 2002 dodge ram wiring schematic diagram frankmotors es. The thread about 2nd gen info has a link to the factory service manual(free) for an '01 and i used it to wire up my fogs and so far the diagrams match my truck(mine. Do you these wiring diagrams are literally just sketches? S series professional power amplifiers. Dodge ram truck 1500/2500/3500 workshop & service manuals, electrical wiring diagrams, fault codes free download. Im installing a new pioneer stereo and when i opened the dash the plug has been cut and is missing good morning jeff: I was asking for a pdf service manual for a 2015 dodge ram 1500 to include wiring diagrams specifically uconnect system and either missed it or wasnt included in the content. S series professional power amplifiers.
Please see attached screen capture from.pdf file.
No head lights or high beams. Hi, i'm trying to emulate a previous engineer's wiring diagram drawings, and was wondering if anyone has insight on the best way to do it. I need a radio wiring diagram for my 2001 dodge ram 1500. Ase certified automotive parts specialist ; The thread about 2nd gen info has a link to the factory service manual(free) for an '01 and i used it to wire up my fogs and so far the diagrams match my truck(mine. Im installing a new pioneer stereo and when i opened the dash the plug has been cut and is missing good morning jeff: Car radio stereo audio wiring diagram autoradio connector wire installation schematic schema esquema de conexiones stecker konektor connecteur car stereo wiring diagrams car radio wiring car radio wiring colors car radio wire car radio connections wiring diagram car radio wire colours. Dodge ram truck 1500 (2009) service diagnostic and wiring information pdf.rar. Handy wiring diagram that shows a paper trail of how the electrical system works for the 7.3l powerstroke engines, all trucks, excursions, vans. Help i need a wiring diagram or schematic for a 1999 dodge ram 1500. On the bulkhead connector under the dash theres a wire burnt into it is brown with a yellow stripe i need to know what that wire is for and how to get to the fuse block behind. It's very detailed and shows how every wire for each component routes to the. Anybody out there have an idea where we can get a free diagram for the schematics?i have the same problem.
2004 Vw Gti Engine Diagram : Volkswagen 1 8t Engine Diagram - Complete Wiring Schemas / For further details, or for information on current or new vw engines not listed here, please consult your local volkswagen dealer. . The north america mkvii gti is a very new car, assembled in a new way in a new factory with a new engine so it could mean trouble. Engine volkswagen fox 2004 workshop manual. 2) remove camshaft position sensor, o ring. It has proper section bookmarks and can be searched with a *note: Project vw mk4 gti 1.8t. What you see here is a 2004 mk4 gti 1.8t with cloth interior, sunroof, and roughly 125,000 miles on the odometer. Vw transporter t5 2004 электрооборудование (ru). For further details, or for information on current or new vw engines not listed here, please consult your local volkswagen dealer. Polo, golf, jetta, new beetle. Engine volkswagen fox 2004 workshop manual. 2...
Mark Levinson Lexus Lifier Wiring Diagrams - Lexus LS460 Mark Levinson No Audio - YouTube - We've all read the sob stories. . Does it go into protect? W/o active stabilizer suspension system. How to use this manual this manual provides information on the electrical. 26th february 2014 01:23 am. Amplifier mark levinson n38 operating manual. 2004 lexus es330 sedan navigation mark levinson sound system. But for now, we have lexus and the mark levinson sound system. I have three blue/yellow wires under there.) can anyone point out what's i already ran a set of 9 wire to the amp area from the hu and the hu is all connected apart from speakers. My mark levinson amp died. Wiring diagrams, spare parts catalogue, fault codes free download. I Recently Purchased a 2004 Lexus LS 430 with GPS and the ... from ww2.justanswer.com Provides circuit diagrams s...
All Star Tower Defense Codes 2021 - Brawlhalla codes October 2020: Talon Scythe, Raven Espada ... / Whether you are a fan of bodybuilding games or just want to adopt a few pets, there is something for everyone out there. . All star tower defense codes (working). What are the new all star tower defense codes and also how you should claim the free gems ? You've come to the right spot. All star tower defense active codes. Here, you play as a character with increasingly powerful powers and faculties, leveling up to defeat your opponents. They will help you to destroy enemy towers quickly. All star tower defense is one of the most popular tower defense games in the roblox ecosystem. All star tower defense codes (expired). There's many different types, so many people are familiar with this format. All of coupon codes are verified and tested today! All Star Tower Defense Codes 2021 | St...
Komentar
Posting Komentar