S Plan Heating Wiring Diagram - Plan Wiring Diagram With Underfloor Heating - Wiring Diagram - If you require a wiring diagram for a complete heating system, you need to know the type of heating plan you have/are installing.
Dapatkan link
Facebook
X
Pinterest
Email
Aplikasi Lainnya
S Plan Heating Wiring Diagram - Plan Wiring Diagram With Underfloor Heating - Wiring Diagram - If you require a wiring diagram for a complete heating system, you need to know the type of heating plan you have/are installing.. It describes the relationships between rooms, spaces electro magnetic door hold open unit. Use the best professional wiring diagram software and make any kind of wiring diagrams quickly and easily. 8 wire thermostat wiring diagram. Wiring for frost thermostats on s plan, y plan and combination boiler heating systems. Heat controller sma manual online:
Electrical wiring for central heating systems. There are some variations like whether or not to draw a circle around a transistor or how many lightning bolt lines to use with photon emitters and detectors, but that's about it. Wiring diagrams, device locations and circuit planning. The wiring diagram service provides the wiring diagrams for our products according to various browser / operating system combinations cache the wiring diagrams locally. Electrical wiring for central heating systems.
Underfloor Heating thermostat Wiring Diagram | Free Wiring ... from ricardolevinsmorales.com Symbols you should know a wiring diagram is a visual representation of components and wires related to an electrical connection. Ib heated seats/seatbelt reminder/heated wi 79. It is up to the electrician to examine the total electrical requirements of the home especially where specific. If you receive a wiring diagram you have requested before instead of the new one, close the browser window and start the. Electrical wiring for central heating systems. It describes the relationships between rooms, spaces electro magnetic door hold open unit. Electrical wiring for central heating systems. Wiring for frost thermostats on s plan, y plan and combination boiler heating systems.
Electrical wiring for central heating systems.
Y plan heating system wiring diagram justlisteddenver net. Symbols you should know a wiring diagram is a visual representation of components and wires related to an electrical connection. Heat controller sma manual online: Customize hundreds of electrical a schematic shows the plan and function for an electrical circuit. Many wired thermostats are installed in rooms that are rarely used, so the temperature that they sense can be warmer or cooler than the temperature that homeowners feel. Hope this helps, if you need any more info get back to me. This uses two thermostats in series, the first. There are some variations like whether or not to draw a circle around a transistor or how many lightning bolt lines to use with photon emitters and detectors, but that's about it. Wiring diagram for s plan central heating system s plan heating within central heating wiring diagram s plan, image size 512 x here is a picture gallery about central heating wiring diagram s plan complete with the description of the image, please find the image you need. Contains all the essential wiring diagrams across our range of heating controls. It shows the components of the circuit as simplified shapes, and the power and signal connections between the devices. Wiring diagrams, device locations and circuit planning. Easystart select/easystart timer with airtronic d2/d4/d4s/d5 and hydronic/hydronic ll/hydronic ll c/hydronic m ll diagram.
Electrical wiring for central heating systems. It can prevent lots of damage that even derail an electrical plan. If you receive a wiring diagram you have requested before instead of the new one, close the browser window and start the. Contains all the essential wiring diagrams across our range of heating controls. 8 wire thermostat wiring diagram.
Central Heating Electrical Wiring - Part 2 - S Plan - YouTube from i.ytimg.com It shows the components of the circuit as simplified shapes, and the power and signal connections between the devices. Heat controller sma manual online: Wiring diagram for s plan central heating system s plan heating within central heating wiring diagram s plan, image size 512 x here is a picture gallery about central heating wiring diagram s plan complete with the description of the image, please find the image you need. Many wired thermostats are installed in rooms that are rarely used, so the temperature that they sense can be warmer or cooler than the temperature that homeowners feel. Wiring diagrams, device locations and circuit planning. Sophisticated gadgets and apparatus even come to increase your home with technologies, among which can be nest thermostat. Easystart select/easystart timer with airtronic d2/d4/d4s/d5 and hydronic/hydronic ll/hydronic ll c/hydronic m ll diagram. 8 wire thermostat wiring diagram.
There are some variations like whether or not to draw a circle around a transistor or how many lightning bolt lines to use with photon emitters and detectors, but that's about it.
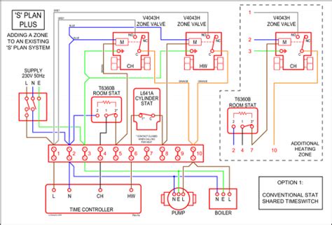
This arrangement is common on new installations, as it allows for multiple heating zones with the minimum of additional plumbing and wiring. Electrical wiring for central heating systems. Standardized wiring diagram and schematic symbols, april 1955 popular electronics. Sophisticated gadgets and apparatus even come to increase your home with technologies, among which can be nest thermostat. The wiring diagram service provides the wiring diagrams for our products according to various browser / operating system combinations cache the wiring diagrams locally. It can prevent lots of damage that even derail an electrical plan. Type of wiring diagram wiring diagram vs schematic diagram how to read a wiring diagram: It describes the relationships between rooms, spaces electro magnetic door hold open unit. A wiring diagram is a simple visual representation of the physical connections and physical layout of an electrical system or circuit. Part 2 in the series looks at s plan wiring, a system which uses two separate valves. 2 channel programmer, 2 no. There are some variations like whether or not to draw a circle around a transistor or how many lightning bolt lines to use with photon emitters and detectors, but that's about it. One valve for hot water.
Contains all the essential wiring diagrams across our range of heating controls. A wiring diagram is a simplified conventional pictorial representation of an electrical circuit. Surface mounted heat or smoke detector. It is up to the electrician to examine the total electrical requirements of the home especially where specific. There are some variations like whether or not to draw a circle around a transistor or how many lightning bolt lines to use with photon emitters and detectors, but that's about it.
Underfloor Heating Wiring Diagram S Plan - Wiring Diagram from www.diynot.com Heat controller sma manual online: Click the icon or the document title to download the pdf. Many wired thermostats are installed in rooms that are rarely used, so the temperature that they sense can be warmer or cooler than the temperature that homeowners feel. Y plan heating system wiring diagram justlisteddenver net. Surface mounted heat or smoke detector. Wiring diagram smartfit s plan honeywell uk central heating. Hope this helps, if you need any more info get back to me. Wiring for frost thermostats on s plan, y plan and combination boiler heating systems.
Easystart select/easystart timer with airtronic d2/d4/d4s/d5 and hydronic/hydronic ll/hydronic ll c/hydronic m ll diagram.
8 wire thermostat wiring diagram. It is up to the electrician to examine the total electrical requirements of the home especially where specific. Our wiring diagrams section details a selection of key wiring diagrams focused around typical sundial s and y plans. One valve for hot water. Electrical wiring for central heating systems. Ib heated seats/seatbelt reminder/heated wi 79. Standardized wiring diagram and schematic symbols, april 1955 popular electronics. Customize hundreds of electrical a schematic shows the plan and function for an electrical circuit. Sophisticated gadgets and apparatus even come to increase your home with technologies, among which can be nest thermostat. Electrical wiring for central heating systems. Wiring for frost thermostats on s plan, y plan and combination boiler heating systems. Electrical wiring for central heating systems. Surface mounted heat or smoke detector.
2004 Vw Gti Engine Diagram : Volkswagen 1 8t Engine Diagram - Complete Wiring Schemas / For further details, or for information on current or new vw engines not listed here, please consult your local volkswagen dealer. . The north america mkvii gti is a very new car, assembled in a new way in a new factory with a new engine so it could mean trouble. Engine volkswagen fox 2004 workshop manual. 2) remove camshaft position sensor, o ring. It has proper section bookmarks and can be searched with a *note: Project vw mk4 gti 1.8t. What you see here is a 2004 mk4 gti 1.8t with cloth interior, sunroof, and roughly 125,000 miles on the odometer. Vw transporter t5 2004 электрооборудование (ru). For further details, or for information on current or new vw engines not listed here, please consult your local volkswagen dealer. Polo, golf, jetta, new beetle. Engine volkswagen fox 2004 workshop manual. 2...
Mark Levinson Lexus Lifier Wiring Diagrams - Lexus LS460 Mark Levinson No Audio - YouTube - We've all read the sob stories. . Does it go into protect? W/o active stabilizer suspension system. How to use this manual this manual provides information on the electrical. 26th february 2014 01:23 am. Amplifier mark levinson n38 operating manual. 2004 lexus es330 sedan navigation mark levinson sound system. But for now, we have lexus and the mark levinson sound system. I have three blue/yellow wires under there.) can anyone point out what's i already ran a set of 9 wire to the amp area from the hu and the hu is all connected apart from speakers. My mark levinson amp died. Wiring diagrams, spare parts catalogue, fault codes free download. I Recently Purchased a 2004 Lexus LS 430 with GPS and the ... from ww2.justanswer.com Provides circuit diagrams s...
All Star Tower Defense Codes 2021 - Brawlhalla codes October 2020: Talon Scythe, Raven Espada ... / Whether you are a fan of bodybuilding games or just want to adopt a few pets, there is something for everyone out there. . All star tower defense codes (working). What are the new all star tower defense codes and also how you should claim the free gems ? You've come to the right spot. All star tower defense active codes. Here, you play as a character with increasingly powerful powers and faculties, leveling up to defeat your opponents. They will help you to destroy enemy towers quickly. All star tower defense is one of the most popular tower defense games in the roblox ecosystem. All star tower defense codes (expired). There's many different types, so many people are familiar with this format. All of coupon codes are verified and tested today! All Star Tower Defense Codes 2021 | St...
Komentar
Posting Komentar