1999 Nissan Maxima Bose Radio Wiring Diagram / Ce 8677 Nissan Maxima Radio Wiring Diagram Also Nissan Car Stereo Wiring Wiring Diagram : 1999, 2000, 2001, 2002, 2003, 2004, 2005, 2006).
Dapatkan link
Facebook
X
Pinterest
Email
Aplikasi Lainnya
1999 Nissan Maxima Bose Radio Wiring Diagram / Ce 8677 Nissan Maxima Radio Wiring Diagram Also Nissan Car Stereo Wiring Wiring Diagram : 1999, 2000, 2001, 2002, 2003, 2004, 2005, 2006).. Portable network image format 29.2 kb. The modified life staff has taken all its nissan maxima with bose audio car radio wiring diagrams, nissan maxima. Do the non bose cars have amps too? Do you have wiring diagram for a non bose audio system? Associated wiring diagrams for the cruise control system of a 1990 honda civic.
1999, 2000, 2001, 2002, 2003, 2004, 2005, 2006). It is important to select your exact vehicle year as wiring inside. Where can you find free radio wiring diagram for 1999 toyota corolla? Av control unit reference value values on the diagnosis tool terminal layout physical values dtc index bose speaker amp reference value terminal layout physical. Hi, i just got a new 2009 nissan maxima.
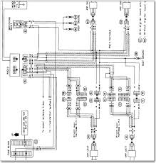
Nissan Maxima Factory Radio Removal Replacement Youtube from i.ytimg.com Use this information for installing car alarm, remote car starters and please select the exact year of your nissan maxima to view your vehicle sepecific diagram. When replacing the factory radio in your. Need wiring diagram or color scheme on hooking up stereo & speakers to car.… read more. It shows the parts of the circuit as streamlined. Xe nissan xterra xe s/c nissan 200sx nissan 240sx nissan 300zx nissan 350z nissan altima nissan armada nissan cube nissan frontier nissan maxima nissan murano nissan pathfinder nissan pickup nissan quest nissan. Nissan maxima oem radio stereo head units pinouts. Hi, i just got a new 2009 nissan maxima. Nissan maxima aftermarket radio install with bluetooth hd.
Nissan maxima aftermarket radio install with bluetooth hd.
Subwoofer no or intermittent audio. Nissan maxima oem radio stereo head units pinouts. And if your nissan bose amp is missing the remote amp wire, you can. Commando car alarms offers free wiring diagrams for your nissan maxima. It is important to select your exact vehicle year as wiring inside. Please verify all wire colors and diagrams before applying any information. I am trying to connect a new bose xhd6430 stereo in my 1999 maxima. Блок предохранителей и реле ниссан максима и maxima qx (a33; Car stereo wiring diagram radio installation head unit. Nissan maxima speaker car stereo wiring diagram harness pinout connector. Do the non bose cars have amps too? When replacing the factory radio in your. The modified life staff has taken all its nissan maxima with bose audio car radio wiring diagrams, nissan maxima.
1999, 2000, 2001, 2002, 2003, 2004, 2005, 2006). Wiring diagrams nissan by year. And if your nissan bose amp is missing the remote amp wire, you can. Car radio/audio wire diagram identification chart and bose a guide car stereo and audio equipment installation, removal and hook up. 1999, 2000, 2001, 2002, 2003, 2004, 2005, 2006).
How To Nissan Maxima Stereo Wiring Diagram from my.prostreetonline.com Xe nissan xterra xe s/c nissan 200sx nissan 240sx nissan 300zx nissan 350z nissan altima nissan armada nissan cube nissan frontier nissan maxima nissan murano nissan pathfinder nissan pickup nissan quest nissan. Nissan car stereo integration parts choose your nissan model from the list below. 2005 nissan maxima engine wiring diagram diagrams data support ungiaggioloincucina it 05 pw50 schematics for 2009 altima fuse box fix lechicchedimammavale car stereo full hd version pavy nettoyagevertical fr radio united3 maceratadoc 1995 nissan maxima bose wiring diagrams. Steel body cars maxima has a universal design. Commando car alarms offers free wiring diagrams for your nissan maxima. Need wiring diagram or color scheme on hooking up stereo & speakers to car.… read more. When replacing the factory radio in your. 1999, 2000, 2001, 2002, 2003, 2004, 2005, 2006).
Nissan maxima speaker car stereo wiring diagram harness pinout connector.
Commando car alarms offers free wiring diagrams for your nissan maxima. It shows the parts of the circuit as streamlined. Where can you find free radio wiring diagram for 1999 toyota corolla? The bose radio in your maxima doesn't have rca preamp outputs, and the bose amplifier does not have rca preamp inputs. 1999, 2000, 2001, 2002, 2003, 2004, 2005, 2006). You can find a 2002 ford explorer radio wiring diagram at most ford dealerships. Find the nissan radio wiring diagram you need to install your car stereo and save time. When replacing the factory radio in your. Then, in 1999, the time has come for the european market, and nissan signed an agreement with the french hello nice to meet you i got problem with my r300 bt (radio), and need r300 bt wiring diagram for opel. Car radio/audio wire diagram identification chart and bose a guide car stereo and audio equipment installation, removal and hook up. The maxima came with a bose pn2261d stereo and i i have installed a jvc arsenal kvx head unit and removed the factory radio. Associated wiring diagrams for the cruise control system of a 1990 honda civic. 2000 nissan maxima wiring diagram qbmyogaundstillede nissan maxima alternator wiring wiring library rh 64 akademiaeuropejska eu 2000 nissan maxima radio wiring 2000 nissan altima engine diagram tropicalspa co.
So each spkear has its own amp for the bose system. A wiring diagram is a streamlined traditional photographic representation of an electrical circuit. You can find a 2002 ford explorer radio wiring diagram at most ford dealerships. 2005 nissan maxima engine wiring diagram diagrams data support ungiaggioloincucina it 05 pw50 schematics for 2009 altima fuse box fix lechicchedimammavale car stereo full hd version pavy nettoyagevertical fr radio united3 maceratadoc 1995 nissan maxima bose wiring diagrams. Bose automotive and the nissan maxima:
Radio Wiring Diagrams And Or Color Codes Motor Vehicle Maintenance Repair Stack Exchange from i.stack.imgur.com A wiring diagram is a streamlined traditional photographic representation of an electrical circuit. Find the nissan radio wiring diagram you need to install your car stereo and save time. 2005 nissan maxima engine wiring diagram diagrams data support ungiaggioloincucina it 05 pw50 schematics for 2009 altima fuse box fix lechicchedimammavale car stereo full hd version pavy nettoyagevertical fr radio united3 maceratadoc 1995 nissan maxima bose wiring diagrams. Car stereo wiring diagram radio installation head unit. Associated wiring diagrams for the cruise control system of a 1990 honda civic. Car radio/audio wire diagram identification chart and bose a guide car stereo and audio equipment installation, removal and hook up. Commando car alarms offers free wiring diagrams for your nissan maxima. And on the diagram about it shows factor amp turn on.
A wiring diagram is a streamlined traditional photographic representation of an electrical circuit.
And on the diagram about it shows factor amp turn on. Associated wiring diagrams for the cruise control system of a 1990 honda civic. Steel body cars maxima has a universal design. Hi, i just got a new 2009 nissan maxima. The modified life staff has taken all its nissan maxima with bose audio car radio wiring diagrams, nissan maxima. Need wiring diagram or color scheme on hooking up stereo & speakers to car.… read more. Car radio wire colors car audio wiring free radio wiring diagrams. And if your nissan bose amp is missing the remote amp wire, you can. The next generation of nissan maxima radio wiring is very similar this nissan maxima stereo wiring guide helps you get any aftermarket stereo installed int your car. Bose automotive and the nissan maxima: You can find a 2002 ford explorer radio wiring diagram at most ford dealerships. We have all the installation parts and adapters, dash kits, stereo wire harnesses backup camera connections iphone / android adapters, steering wheel controls auxilliary inputs maxima (bose pkg) 2003. 1999, 2000, 2001, 2002, 2003, 2004, 2005, 2006).
2004 Vw Gti Engine Diagram : Volkswagen 1 8t Engine Diagram - Complete Wiring Schemas / For further details, or for information on current or new vw engines not listed here, please consult your local volkswagen dealer. . The north america mkvii gti is a very new car, assembled in a new way in a new factory with a new engine so it could mean trouble. Engine volkswagen fox 2004 workshop manual. 2) remove camshaft position sensor, o ring. It has proper section bookmarks and can be searched with a *note: Project vw mk4 gti 1.8t. What you see here is a 2004 mk4 gti 1.8t with cloth interior, sunroof, and roughly 125,000 miles on the odometer. Vw transporter t5 2004 электрооборудование (ru). For further details, or for information on current or new vw engines not listed here, please consult your local volkswagen dealer. Polo, golf, jetta, new beetle. Engine volkswagen fox 2004 workshop manual. 2...
Mark Levinson Lexus Lifier Wiring Diagrams - Lexus LS460 Mark Levinson No Audio - YouTube - We've all read the sob stories. . Does it go into protect? W/o active stabilizer suspension system. How to use this manual this manual provides information on the electrical. 26th february 2014 01:23 am. Amplifier mark levinson n38 operating manual. 2004 lexus es330 sedan navigation mark levinson sound system. But for now, we have lexus and the mark levinson sound system. I have three blue/yellow wires under there.) can anyone point out what's i already ran a set of 9 wire to the amp area from the hu and the hu is all connected apart from speakers. My mark levinson amp died. Wiring diagrams, spare parts catalogue, fault codes free download. I Recently Purchased a 2004 Lexus LS 430 with GPS and the ... from ww2.justanswer.com Provides circuit diagrams s...
All Star Tower Defense Codes 2021 - Brawlhalla codes October 2020: Talon Scythe, Raven Espada ... / Whether you are a fan of bodybuilding games or just want to adopt a few pets, there is something for everyone out there. . All star tower defense codes (working). What are the new all star tower defense codes and also how you should claim the free gems ? You've come to the right spot. All star tower defense active codes. Here, you play as a character with increasingly powerful powers and faculties, leveling up to defeat your opponents. They will help you to destroy enemy towers quickly. All star tower defense is one of the most popular tower defense games in the roblox ecosystem. All star tower defense codes (expired). There's many different types, so many people are familiar with this format. All of coupon codes are verified and tested today! All Star Tower Defense Codes 2021 | St...
Komentar
Posting Komentar