2003 Chevy Cavalier Engine Wiring Diagram / 2002 Chevy Cavalier Ignition Switch Wiring Diagram Wiring Diagram Data Clear Railroad Clear Railroad Portorhoca It / Volvo trucks mid fault codes.. Mitsubishi space runner & space wagon electrical wiring diagrams. Determine and define of wires. Chevrolet 2003 cavalier owner's manual pdf download view and download chevrolet 2003 cavalier owner's manual online. Here you will find the necessary wiring diagrams, schematics, circuits. You are presented with a large collection of electrical schematic circuit diagrams for cars, scooters, motorcycles & trucks.
Mitsubishi engines and transmissions pdf service manual. Determine and define of wires. Volvo trucks mid fault codes. An engine diagram to a 2003 chevy trailblazer can be found in its maintenance and repair manuals. Chevrolet cavalier service repair manual, chevrolet, chevrolet repair manuals, chevrolet sercive manuals, chevrolet 2004 chevy cavalier repair manual.
2003 Chevy Cavalier Fuse Box Location Wiring Diagram from d2n97g4vasjwsk.cloudfront.net Yes but the whole wiring diagram and ecm will have to follow the engine. Mitsubishi space runner & space wagon electrical wiring diagrams. Volvo trucks mid fault codes. Volvo workshop & service manuals, fault codes and wiring diagrams pdf. I have access to a 2000 cavalier. So here is a diagram that should help subject: You are presented with a large collection of electrical schematic circuit diagrams for cars, scooters, motorcycles & trucks. You'll get a 586.88 mb.pdf/ zip file.
On this page you can free download workshop repair manuals pdf for volvo trucks, and also fault codes pdf and wiring diagrams.
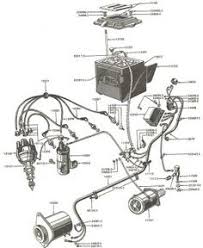
1993 chevy cavalier wire wire color wire location 12v constant wire red ignition harness starter wire yellow ignition harness ignition wire pink ignition harness accessory wire orange ignition harness power door lock (+) lt. Find great deals on ebay for 2003 cavalier engine parts. Mitsubishi engines and transmissions pdf service manual. Can i find a diagram.dash.chilton manual. Chevrolet cavalier service repair manual, chevrolet, chevrolet repair manuals, chevrolet sercive manuals, chevrolet 2004 chevy cavalier repair manual. Determine and define of wires. Carmanualshub.com automotive pdf manuals, wiring diagrams, fault codes, reviews, car manuals and news! The engine i replaced it with came out of a 1996 pontiac sunfire. Engines (2.2l, 2.3l, 2.4l all.) Toyota 4efte engine wiring diagram and toyota ecu pinouts: You'll get a 586.88 mb.pdf/ zip file. Chevrolet 2003 cavalier owner's manual pdf download view and download chevrolet 2003 cavalier owner's manual online. Briggs engine wiring diagram wed mar 03, 2010 5:48 pm.
Carmanualshub.com automotive pdf manuals, wiring diagrams, fault codes, reviews, car manuals and news! Here you will find the necessary wiring diagrams, schematics, circuits. Briggs engine wiring diagram mon mar 22, 2010 9:50 pm. You'll get a 586.88 mb.pdf/ zip file. Where is fuse, or is it connected to the ignition.
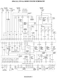
2004 Chevy Cavalier Engine Diagram For Schematic Oven Diagram Wiring Ge Jkp13gp3 Mazda3 Sp23 Tukune Jeanjaures37 Fr from ls1tech.com Can i find a diagram.dash.chilton manual. Chevrolet 2003 cavalier owner's manual pdf download view and download chevrolet 2003 cavalier owner's manual online. What year are the diagrams? Where is fuse, or is it connected to the ignition. Toyota 4efte engine wiring diagram and toyota ecu pinouts: The 03 was an ecotec and 00 is a regular 2.2 correct? An engine diagram to a 2003 chevy trailblazer can be found in its maintenance and repair manuals. I have access to a 2000 cavalier.
View evo8 pdf manual online download evo8 pdf manual zip (10.84mb).
You'll get a 586.88 mb.pdf/ zip file. I blew the engine in my 2003 chevy cavalier. Engines (2.2l, 2.3l, 2.4l all.) Here you will find the necessary wiring diagrams, schematics, circuits. Determine and define of wires. Briggs engine wiring diagram mon mar 22, 2010 9:50 pm. The 03 was an ecotec and 00 is a regular 2.2 correct? Briggs engine wiring diagram wed mar 03, 2010 5:48 pm. Where is fuse, or is it connected to the ignition. So here is a diagram that should help subject: Have a 1993 chevy cavalier, engine cooling fan not working. Volvo workshop & service manuals, fault codes and wiring diagrams pdf. Toyota 4efte engine wiring diagram and toyota ecu pinouts:
Mitsubishi engines and transmissions pdf service manual. Mitsubishi space runner & space wagon electrical wiring diagrams. Chevrolet cavalier service repair manual, chevrolet, chevrolet repair manuals, chevrolet sercive manuals, chevrolet 2004 chevy cavalier repair manual. The engine i replaced it with came out of a 1996 pontiac sunfire. Carmanualshub.com automotive pdf manuals, wiring diagrams, fault codes, reviews, car manuals and news!
Diagram 2004 Chevy Cavalier Wiring Diagram Full Version Hd Quality Wiring Diagram Outletdiagram Romeorienteering It from lh3.googleusercontent.com You can find a 1993 chevrolet cavalier schematic diagram, for the wiring and cooling system, at most chevrolet dealerships. Chevrolet chevrolet 2003 chevrolet cavalier owner's manual [sign up & download 2003 chevrolet cavalier owner's manual to view a full screen version. Determine and define of wires. On this page you can free download workshop repair manuals pdf for volvo trucks, and also fault codes pdf and wiring diagrams. Here you will find the necessary wiring diagrams, schematics, circuits. Engines (2.2l, 2.3l, 2.4l all.) Mitsubishi engines and transmissions pdf service manual. View evo8 pdf manual online download evo8 pdf manual zip (10.84mb).
Here you will find the necessary wiring diagrams, schematics, circuits.
Toyota 4efte engine wiring diagram and toyota ecu pinouts: 1993 chevy cavalier wire wire color wire location 12v constant wire red ignition harness starter wire yellow ignition harness ignition wire pink ignition harness accessory wire orange ignition harness power door lock (+) lt. Here you will find the necessary wiring diagrams, schematics, circuits. Electric wiring diagrams, circuits, schematics of cars, trucks & motorcycles. I've been asked about wiring alot recently. Volvo workshop & service manuals, fault codes and wiring diagrams pdf. Mitsubishi space runner & space wagon electrical wiring diagrams. Download just the evo7 wiring diagrams part of the manual (21.58mb). Briggs engine wiring diagram wed mar 03, 2010 5:48 pm. Briggs engine wiring diagram mon mar 22, 2010 9:50 pm. Determine and define of wires. So here is a diagram that should help subject: Find great deals on ebay for 2003 cavalier engine parts.
2004 Vw Gti Engine Diagram : Volkswagen 1 8t Engine Diagram - Complete Wiring Schemas / For further details, or for information on current or new vw engines not listed here, please consult your local volkswagen dealer. . The north america mkvii gti is a very new car, assembled in a new way in a new factory with a new engine so it could mean trouble. Engine volkswagen fox 2004 workshop manual. 2) remove camshaft position sensor, o ring. It has proper section bookmarks and can be searched with a *note: Project vw mk4 gti 1.8t. What you see here is a 2004 mk4 gti 1.8t with cloth interior, sunroof, and roughly 125,000 miles on the odometer. Vw transporter t5 2004 электрооборудование (ru). For further details, or for information on current or new vw engines not listed here, please consult your local volkswagen dealer. Polo, golf, jetta, new beetle. Engine volkswagen fox 2004 workshop manual. 2...
Mark Levinson Lexus Lifier Wiring Diagrams - Lexus LS460 Mark Levinson No Audio - YouTube - We've all read the sob stories. . Does it go into protect? W/o active stabilizer suspension system. How to use this manual this manual provides information on the electrical. 26th february 2014 01:23 am. Amplifier mark levinson n38 operating manual. 2004 lexus es330 sedan navigation mark levinson sound system. But for now, we have lexus and the mark levinson sound system. I have three blue/yellow wires under there.) can anyone point out what's i already ran a set of 9 wire to the amp area from the hu and the hu is all connected apart from speakers. My mark levinson amp died. Wiring diagrams, spare parts catalogue, fault codes free download. I Recently Purchased a 2004 Lexus LS 430 with GPS and the ... from ww2.justanswer.com Provides circuit diagrams s...
All Star Tower Defense Codes 2021 - Brawlhalla codes October 2020: Talon Scythe, Raven Espada ... / Whether you are a fan of bodybuilding games or just want to adopt a few pets, there is something for everyone out there. . All star tower defense codes (working). What are the new all star tower defense codes and also how you should claim the free gems ? You've come to the right spot. All star tower defense active codes. Here, you play as a character with increasingly powerful powers and faculties, leveling up to defeat your opponents. They will help you to destroy enemy towers quickly. All star tower defense is one of the most popular tower defense games in the roblox ecosystem. All star tower defense codes (expired). There's many different types, so many people are familiar with this format. All of coupon codes are verified and tested today! All Star Tower Defense Codes 2021 | St...
Komentar
Posting Komentar