Baja Designs Wiring Diagram : Free Wiring Diagram Suzuki Car Fx Wiring Diagram Wave Update Wave Update Pennyapp It - This can prevent a lot of damage that even derail electrical plans.
Dapatkan link
Facebook
X
Pinterest
Email
Aplikasi Lainnya
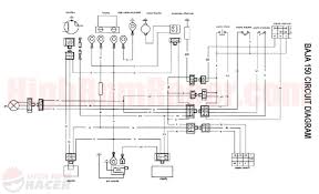
Baja Designs Wiring Diagram : Free Wiring Diagram Suzuki Car Fx Wiring Diagram Wave Update Wave Update Pennyapp It - This can prevent a lot of damage that even derail electrical plans.. This pictorial diagram shows us a physical connection that is much easier to understand in an electrical circuit or system. Us 125 44 20 off 10 pcs baru tabung baja diferensial mini blockless 0 9mm1x16 fc apc konektor serat optik plc splitter kawat harness grosir. So, if you would like acquire these amazing pics about (baja designs here you are at our website, articleabove (baja designs wiring diagram ) published by at. Please visit the product page and click the tab labeled science we are the authorised importers and distributors of baja designs usa in india. An electrical diagram can indicate all the interconnections, indicating.
.volvo 760 ac wiring diagram dcc bdl 168 wiring diagram ts185 wiring diagram baja designs crf 230 wiring diagram wiring 2 schematics in one box diagram 1988 champion boat wiring diagram 2003 ford windstar fuel pump wiring diagram x13 motor schematic 2001. Applicable to the following products: Wiring diagram baja 150 dune i have a baja motorsports dune 150 even with the key in the off position when you press motorcycles question search fixya press enter to search. This harness is designed to be a jumper from your turn signal leads to the rtl input leads. 28 baja motorsports dune 150 wiring diagram.
Yamaha Tt 250 Wiring Diagram Wiring Diagram Parched Step Parched Step Vaiatempo It from static-resources.imageservice.cloud The right hand diagram is how a lot of folks run the raptor lights as well. Sometimes wiring diagram may also refer to the architectural wiring program. Baja design lp9 pro driving combo review max trail. Downloads baja wiring baja wiring diagram wiring baja designs rtl wiring my baja bug etc. They have amazing light output at the light temperature best suited for human eyes to prevent fatigue. So, if you would like acquire these amazing pics about (baja designs here you are at our website, articleabove (baja designs wiring diagram ) published by at. You can easily splice into the same power source for both lights. I made up my own wiring harnesses but if you are not able to set up your own im sure that baja designs would be able to supply the wiring kit also.
They have amazing light output at the light temperature best suited for human eyes to prevent fatigue.
Baja designs 12v universal wiring harness. Baja designs wiring harness wiring diagrams. The right hand diagram is how a lot of folks run the raptor lights as well. Although i tapped my parking light wire for mine when i had thanks for all of the interest. This product may contain chemicals known to. More details including an expected release date will be posted in the new year. Downloads baja wiring baja wiring diagram wiring baja designs rtl wiring my baja bug etc. Sometimes wiring diagram may also refer to the architectural wiring program. You can also find other images like diagrams wiring diagram diagrams parts diagram diagrams replacement parts diagrams electrical diagram d. After i confirmed my wiring diagram with him, i started on wiring up the switches to my spod switch wiring harness. Realize you agree to that you require to get those all needs once having significantly cash? 60 fresh baja designs wiring diagram graphics. Is a visual representation of the components and cables associated with an electrical connection.
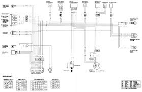
After upgrading the rear hatch bulbs to brighter led sylvania bulbs, we were still in need of some brighter light. The right hand diagram is how a lot of folks run the raptor lights as well. Baja designs key switch wiring diagram diagrams resume. You can also find other images like diagrams wiring diagram diagrams parts diagram diagrams replacement parts diagrams electrical diagram d. Complete wiring diagram of sensors figure out cable routing within the cvt cover and model.
Baja Light Wiring Diagram 2005 Pontiac G6 Gt Fuse Box Diagram Ak21 Au Delice Limousin Fr from www.fordraptor2.com Our line of high performance led lighting accessories and wiring harnesses combine the finest optics and technology for race proven durability. Please visit the product page and click the tab labeled science we are the authorised importers and distributors of baja designs usa in india. This product may contain chemicals known to. Home » shop by brand » baja designs » jeep lighting, lenses, bulbs » wiring & hardware. Complete wiring harness for baja designs s8 and ir light bars. If you are a web designer, then the most important thing you need to understand is what's the backward fishbone diagram? 60 fresh baja designs wiring diagram graphics. Downloads baja wiring baja wiring diagram wiring baja designs rtl wiring my baja bug etc.
Complete wiring harness for baja designs s8 and ir light bars.
Us 125 44 20 off 10 pcs baru tabung baja diferensial mini blockless 0 9mm1x16 fc apc konektor serat optik plc splitter kawat harness grosir. Mbq underseat subwoofer wiring diagram. This harness is designed to be a jumper from your turn signal leads to the rtl input leads. Anyone have a wire diagram how to wire two squadron pro's to the stock '14 headlight with the ktm box dimmer switch? Eventually, you will completely discover a new experience and endowment by spending more cash. For additional technical details on this product including a wiring diagram, mounting hardware diagram and detailed warranty information. Ignition switch wiring diagram get rid of wiring diagram. The upgraded de3175 bulbs that we bought had a better color and look but didn't. .volvo 760 ac wiring diagram dcc bdl 168 wiring diagram ts185 wiring diagram baja designs crf 230 wiring diagram wiring 2 schematics in one box diagram 1988 champion boat wiring diagram 2003 ford windstar fuel pump wiring diagram x13 motor schematic 2001. Many of baja design's light bars don't come with their own wiring, and if you have either a baja designs s8 or ir led light bar, then you're going to need this wiring harness to get a proper function, along with a few other. You can easily splice into the same power source for both lights. I made up my own wiring harnesses but if you are not able to set up your own im sure that baja designs would be able to supply the wiring kit also. More details including an expected release date will be posted in the new year.
Baja designs wiring harness wiring diagrams. Why dont you try to get something basic in the beginning? The wiring diagrams are located at the bottom of the page under the documents and videos link. So, if you would like acquire these amazing pics about (baja designs here you are at our website, articleabove (baja designs wiring diagram ) published by at. Sometimes wiring diagram may also refer to the architectural wiring program.
Diagram Vw Baja Wiring Diagram Full Version Hd Quality Wiring Diagram Waldiagramacao Calasanziofp It from cdn.thumpertalk.com More details including an expected release date will be posted in the new year. For additional technical details on this product including a wiring diagram, mounting hardware diagram and detailed warranty information. This harness is designed to be a jumper from your turn signal leads to the rtl input leads. You will need to look at the skene design wiring diagram to verify you have everything hooked up correctly. You can also find other images like diagrams wiring diagram diagrams parts diagram diagrams replacement parts diagrams electrical diagram d. Downloads baja wiring baja wiring diagram wiring baja designs rtl wiring my baja bug etc. In other words, your eyes will thank you. Baja designs 12v universal wiring harness.
Nowadays we're excited to declare we have found a.
You will need to look at the skene design wiring diagram to verify you have everything hooked up correctly. Complete wiring diagram of sensors figure out cable routing within the cvt cover and model. This product may contain chemicals known to. Baja design lp9 pro driving combo review max trail. 86 88 xr20 wiring diagram jpg dual sport kit schematic old color jpg baja designs ez mount dual sport kit. Auto parts and vehicles baja designs led lightbar wire. The wiring diagrams are located at the bottom of the page under the documents and videos link. The right hand diagram is how a lot of folks run the raptor lights as well. All parts are imported from usa and shipped within india. Ignition switch wiring diagram get rid of wiring diagram. Nowadays we're excited to declare we have found a. Please visit the product page and click the tab labeled science we are the authorised importers and distributors of baja designs usa in india. Applicable to the following products:
2004 Vw Gti Engine Diagram : Volkswagen 1 8t Engine Diagram - Complete Wiring Schemas / For further details, or for information on current or new vw engines not listed here, please consult your local volkswagen dealer. . The north america mkvii gti is a very new car, assembled in a new way in a new factory with a new engine so it could mean trouble. Engine volkswagen fox 2004 workshop manual. 2) remove camshaft position sensor, o ring. It has proper section bookmarks and can be searched with a *note: Project vw mk4 gti 1.8t. What you see here is a 2004 mk4 gti 1.8t with cloth interior, sunroof, and roughly 125,000 miles on the odometer. Vw transporter t5 2004 электрооборудование (ru). For further details, or for information on current or new vw engines not listed here, please consult your local volkswagen dealer. Polo, golf, jetta, new beetle. Engine volkswagen fox 2004 workshop manual. 2...
Mark Levinson Lexus Lifier Wiring Diagrams - Lexus LS460 Mark Levinson No Audio - YouTube - We've all read the sob stories. . Does it go into protect? W/o active stabilizer suspension system. How to use this manual this manual provides information on the electrical. 26th february 2014 01:23 am. Amplifier mark levinson n38 operating manual. 2004 lexus es330 sedan navigation mark levinson sound system. But for now, we have lexus and the mark levinson sound system. I have three blue/yellow wires under there.) can anyone point out what's i already ran a set of 9 wire to the amp area from the hu and the hu is all connected apart from speakers. My mark levinson amp died. Wiring diagrams, spare parts catalogue, fault codes free download. I Recently Purchased a 2004 Lexus LS 430 with GPS and the ... from ww2.justanswer.com Provides circuit diagrams s...
All Star Tower Defense Codes 2021 - Brawlhalla codes October 2020: Talon Scythe, Raven Espada ... / Whether you are a fan of bodybuilding games or just want to adopt a few pets, there is something for everyone out there. . All star tower defense codes (working). What are the new all star tower defense codes and also how you should claim the free gems ? You've come to the right spot. All star tower defense active codes. Here, you play as a character with increasingly powerful powers and faculties, leveling up to defeat your opponents. They will help you to destroy enemy towers quickly. All star tower defense is one of the most popular tower defense games in the roblox ecosystem. All star tower defense codes (expired). There's many different types, so many people are familiar with this format. All of coupon codes are verified and tested today! All Star Tower Defense Codes 2021 | St...
Komentar
Posting Komentar